DC Power Jumpers & Pigtails
Cabinet & Shelter Pre-Formed DC Power Installation Kits

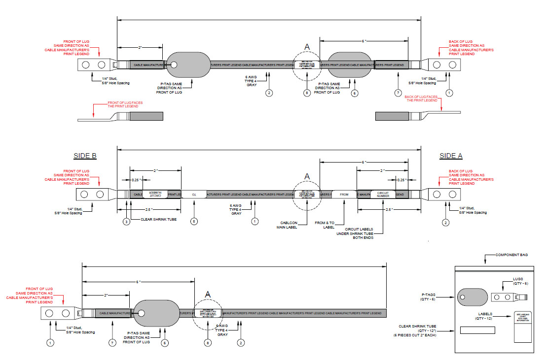
Cablcon pre-formed installation kits will reduce your Total Installation Cost (TIC) and Total Cost of Ownership (TCO) through speed of deployment and quality of product. DC power installation kits are designed for both cabinet and shelter applications.
Kits come pre-terminated on each end in a jumper or single-ended in a pigtail. Pigtail kits packaged with your specified needs to be field dressed and terminated. Each assembly comes with your choice of label ID, P-Tags being the most common. Circuit ID labels supplied with all kits to be applied to P-Tags if used.

Cablcon’s automated process utilizes state of the art Schleuniger 9480 Cut & Strip machines. The 9480 yields 100% conductor strand retention along with precise strip length removal of cable insulation. No-Ox is applied to conductor prior to fully seating up to inspection window. Flush seating of lug barrel to insulation go/no-go gauge requires less than 1/16” separation. Final crimp is performed using bench mount hydraulic tooling die matched to lug OEM. All tooling is maintained per TL 9000 test records for calibration and maintenance.
ADVANTAGES
- Decreases installation time by more than 50%
- ISO 9001 & TL 9000 certified factory formed terminations
- Redundant manufacturing facilities
- Reduce network service outage during critical maintenance window
- Network Assurance Team gets factory formed consistent product utilizing approved materials and processes
- For rural deployments saves from possible overnight stay
- Simplifies installation, helping with on-boarding new employees
NOTES
- List 2, 3 and 4 Telcordia GR-347-CORE I3, ATIS 0600017, VZ.TPR.9212 Certified Cable
- Burndy, T&B and Panduit Lugs
- Custom kits available. Please request a meeting with our staff to develop.
- Pigtails used for unknown lengths & jumper kits used most for rack OVP solutions



